Breadcrumbs

Piktogramme

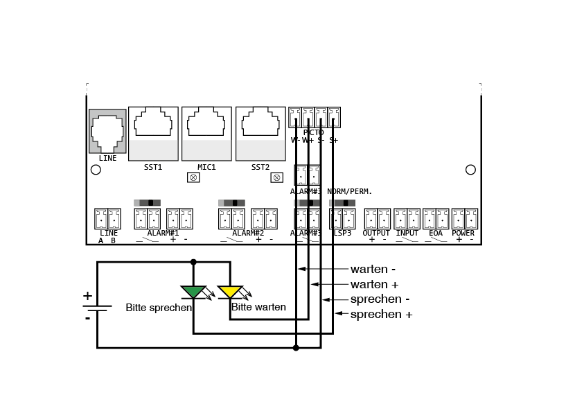
Leuchtfelder mit Piktogrammen nach DIN EN81-28:2022 können über die entsprechenden Anschlussklemmen „PICTO“ angeschlossen werden.

Die Klemmenbezeichnungen lauten:

W -

Klemme - für Piktogramm „Bitte warten“

W +

Klemme + für Piktogramm „Bitte warten“

S -

Klemme - für Piktogramm „Bitte sprechen“

S +

Klemme + für Piktogramm „Bitte sprechen“

Tableauanzeige.png
Piktogrammanzeigen an NRT 1 XT V3

Hinweis zur Funktion der Ausgänge:
An den Klemmen W- / W+ und S- / S+ wird keine Versorgungsspannung für die Piktogrammanzeigen bereitgestellt. Es handelt sich um optisch isolierte Halbleiterausgänge.

Die korrekte Funktion der Piktogramme kann mit dem Programmiergerät PRG 100 überprüft werden:

  • PRG 100 über die „Terminal“-Buchse mit dem Notrufgerät verbinden

  • PRG 100 durch langen Druck auf die Taste „✅“ einschalten

  • Servicetaste am NRT betätigen

  • Anzeige von Gerätetyp und Softwareversion abwarten im PRG Display abwarten

  • Taste „+“ so oft drücken, bis „Einstellungen?“ im Display erscheint, und mit „✅“ bestätigen

  • Mit „+“ zum Untermenü „Ausgaenge“ navigieren

  • Im Menü „Ausgaenge“ mit „+“ zum Testmenü „Ausgang PICTO“ blättern und mit „✅“ auswählen

  • Mit den Tasten „+“ und „–“ abwechselnd die Piktogramm-Ausgänge für “Bitte warten” und “Bitte sprechen” aktivieren