Montageort
Das Notrufgerät ist für die Montage auf dem Dach der Aufzugskabine konzipiert. Zur einfachen und sicheren Befestigung kann optional der Montagewinkel (Art. Nr. 601463) verwendet werden.
Bohrschablone

Anbringen des VNS-Aufklebers
Wurde das NRT mit aktivierter VNS-Funktion bestellt, liegt dem Lieferumfang ein entsprechender Informationsaufkleber bei.
-
Position wählen:
Aufkleber gut sichtbar in der Nähe der Notruftaste(n) bzw. der Bedienelemente anbringen. -
Höhe beachten:
Aufkleber in einer Höhe von ca. 1.100 mm über dem Kabinenboden montieren, sofern die Platzverhältnisse dies zulassen. -
Mehrere Tasten:
Bei Aufzügen mit mehr als einer Notruftaste neben jeder Taste einen Aufkleber anbringen. -
Nachbestellung:
Weitere Aufkleber unter Artikelnummer 117857 bei Telegärtner Elektronik GmbH nachbestellen.
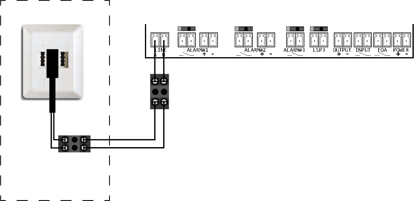
Telefonleitung
Telefonleitung vom Maschinenraum über das Hängekabel zur Klemme LINE führen und an die Kontakte A und B anschließen. Anschluss ist polungsneutral. Alternativ Telefonleitung über die darüberliegende RJ11-Westernbuchse anschließen. Hierzu passendes Kabel verwenden (z. B. Art.-Nr. 601521 / 601519).

Wir weisen ausdrücklich darauf hin, dass es zu störenden Beeinflussungen der Sprechverbindung kommen kann, falls kein getrenntes Hängekabel oder kein abgeschirmtes Aderpaar im Hängekabel verwendet wird.