Breadcrumbs

Pictogram indicators

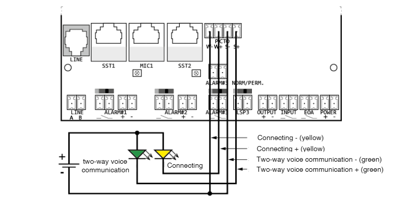
Illuminated pictogram indicators according to DIN EN 81-28:2022 can be connected via the corresponding screw / plug-in terminals “PICTO”.

Terminal designations:

W -

Terminal – for yellow pictogram

W +

Terminal + for yellow pictogram

S -

Terminal – for green pictogram

S +

Terminal + for green pictogram

Piktogrammanzeigen nRT.drawio.png

Note on the function of the outputs for the pictogram indicators:
No supply voltage for the pictogram indicators is provided at terminals W– / W+ and S– / S+. These are optically isolated semiconductor outputs.

The correct function of the pictogram indicators can be tested using a PRG 100:

  • Connect the PRG 100 to the alarm device via the “Terminal” socket.

  • Switch on the PRG 100 by pressing and holding the “✅” button.

  • Press the service button at NRT.

  • Wait until the device type and software version are displayed on the PRG screen.

  • Press the “+” button repeatedly until “SETTINGS?” appears on the display, then confirm with “✅”.

  • Use the “+” button to navigate to submenu “OUTPUTS”.

  • In the “OUTPUTS” menu, scroll with “+” to the test menu “Output PICTO” and confirm
    with “✅”.

  • Use the “+” and “–” buttons alternately to activate the pictogram outputs for yellow and green pictorgram indicators.