Breadcrumbs

Installation & Connection

Installation location

The NRT is designed for installation on top of the lift car. For easy and secure mounting, the optional mounting bracket (Art. No. 601463) can be used.

Mounting template

Zeichenfläche 1Bohrschablone.png

Applying the VNS sticker

If the NRT was ordered with the VNS function activated, an information sticker is included in the delivery.

  1. Positioning:
    Place the sticker near the alarm button / the conrol element. Note visibilty.

  2. Mounting height:
    Place sticker at a height of approximately 1.100 mm above the cabin floor, provided space permits.

  3. Multiple emergency call buttons:
    For lifts with more than one emergency call button, place one sticker next to each button.

  4. Reordering:
    Additional stickers can be ordered from Telegärtner Elektronik GmbH under article number 117857.

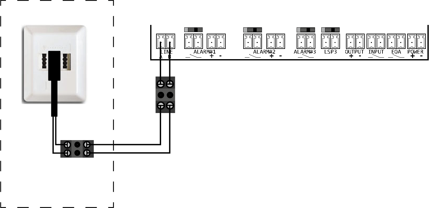
Connecting the telephone line

Route the telephone line from the machine room through the travelling cable to the screw / plug-in terminal LINE and connect it to contacts A and B. The connection is non-polarised.

Alternatively, the telephone line can be connected via the RJ11 socket located above. Use a suitable cable for this purpose (e.g. Art. No. 601521 / 601519).

verdrahtung telefon eine Leitung.png

Caution:
We expressly point out that interference in voice communication may occur if no separate travelling cable or no shielded wire pair within the travelling cable is used.