Breadcrumbs

Einzel-/Mehrgeräte-Betrieb

Einzelgeräte-Betrieb

Im Idealfall besitzt jedes NRT seine eigene Telefonleitung (Telefon-Hauptanschluss, IP-Gateway oder Nebenstelle einer Telefonanlage) und somit seine eigene Telefonnummer. Damit ist sichergestellt, dass zu jeder Zeit eine freie Leitung vorhanden und ein Notruf übertragen werden kann. Über die Rufnummer des Anschlusses kann ein NRT gezielt angerufen werden. Sollte ein NRT durch einen Fehler (z.B. Blitzschaden) die Telefonleitung blockieren, funktionieren die anderen weiterhin.

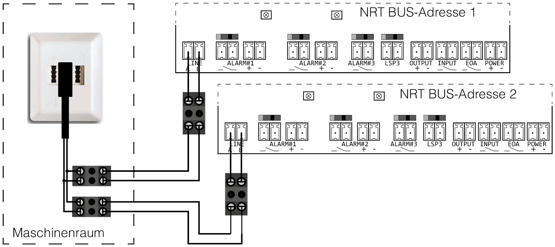
Mehrgeräte-Betrieb

An einem einzigen Telefonanschluss können bis zu neun NRTs parallel betrieben werden – jedes bleibt dabei gezielt erreichbar. Voraussetzung ist, dass jedem NRT bei der Installation eine eindeutige Bus-Adresse zugewiesen wird. Diese Bus-Adresse entspricht zusätzlich der Nachwahlziffer, die zur gezielten Anwahl des NRTs benötigt wird.

  • Anruf einer Mehrgeräte-Anlage

    • Ruft der Anrufer die Hauptnummer an, meldet sich automatisch das NRT mit der kleinsten Bus-Adresse.

  • Gezielte Verbindung auf das gewünschte NRT

    • Durch Eingabe der Nachwahlziffer (Bus-Adresse) wird der Anruf an das gewünschte Gerät weitergeleitet.

So ist sichergestellt, dass trotz gemeinsamer Telefonleitung jedes Gerät individuell erreichbar ist.

2 NRT an Telefonleitung.png
Anschlussbeispiel: 2x NRT an einer Telefonleitung